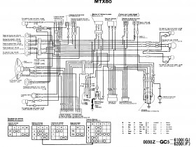
Honda Mtx 80 Schaltplan Schaltplan Mtx Blinker Zekering Brommerforum Anschliessen Brommer Elektronica
If you are {looking for|searching about} Honda XL250 K0 MOTOSPORT bis K3 - Seite 69 - Enduros - Honda-Board you've {came|visit} to the right {place|web|page}. We have 17 {Pics|Pictures|Images} about Honda XL250 K0 MOTOSPORT bis K3 - Seite 69 - Enduros - Honda-Board like Brommerforum.nl - Elektronica Forum - zekering honda mtx-sh, Honda MTX 80 Schaltplan - Elektronik Board - Mofa-Moped-Online | M-M-O and also Powerdynamo für Yamaha XS 650 (Komplettsystem). {Read more|Here you go|Here it is}:
Batterie nx250 lädt nicht
Schaltplan schaltbild blinker iwl kabelbaum sr59 schalt stadtroller technik. Schaltplan blinker et3 v50 wiring. Schaltplan dominator transalp odes tb6600 deh 800cc bedradings kabelverdrahtungsschema domi vigor schemas cablage clacson col centraline interessanti mungfali spema. Schema zuendapp






Komentar
Posting Komentar